kaiyun开云官方网页版

开环式(直测式)电流传感器 TR0240-LKH
开环式(直测式)电流传感器 TR0240-LKH 开环式(直测式)电流传感器 TR0240-LKH 开环式(直测式)电流传感器 TR0240-LKH 开环式(直测式)电流传感器 TR0240-LKH 开环式(直测式)电流传感器 TR0240-LKH

开环式(直测式)电流传感器 TR0240-LKH

  • 产品介绍
  • 常见问题
  • 资质证书
  • 留言咨询
产品概述
 
该传感器采用直测式霍尔检测原理工作。原边电流产生的磁通量聚集在磁电路中,并由霍尔器件检测出霍尔电压信号,经过放大器放大,该电压信号精准的反应原边电流。
产品特点
 

可测交流、直流和脉冲信号

抗外界干扰强,共模抑制比大

低温漂、响应时间快、频带宽

穿孔结构,无插入损耗

对开式结构,安装简便

应用范围
 

交流变频调速

伺服电机牵引

不间断电源(UPS)

电焊机、电池电源

技术参数
 
规 格 100A/4V 200A/4V 500A/4V 单位
IPN 额定原边输入电流 100 200 500 A
IP 原边电流测量范围 0~±200 0~±400 0~±1000 A
VSN 额定副边输出电压 4 V
VC 电源电压 ±12~15(±5%) V
IC 电流消耗 25+ls mA
Vd 绝缘电压 原边与副边电路之间:3kV/50Hz/1min  
εL 线性度 <1 %FS
X 精度 TA =25℃时:≤±1 %
V0 失调电压 TA =25℃时:≤±20 mV
VOT 失调电压温漂 IP =0 TA =-40~+80℃时:≤±1 mV/℃
Tr 响应时间 ≤20 μs
f 频带宽度(-3dB) DC~20 kHz
TA 工作环境温度 -40~+80
TS 储存环境温度 -45~+100
RL 负载电阻 TA =25℃时:≥10
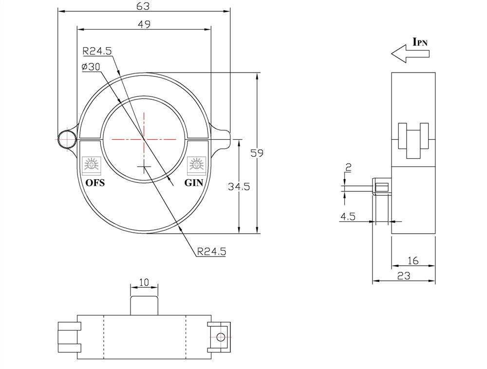
外形及安装尺寸
 
 
电路链接图
 
安装注意事项
 

传感器应正确接线,否则可能损坏传感器内部元件

输入电流排完全充满原边穿孔时动态表现(di/dt和响应时间)为最佳

湖北天瑞电子股份有限公司的主营产品有:电流互感器、电压互感器、电流变换器、电压变换器、霍尔传感器等,希望可以帮到你。

天瑞公司现有三大业务领域分别是:继电保护与自动化、智能电网、新能源。其中,继保领域主要目标市场为:电量传感器、GPS同步时钟源;智能电网领域主要目标市场为:数显电力仪表、高压电能计量装置;新能源领域主要目标市场为:太阳能和风电转换装置、新能源电池监控装置等。

以满足客户需求为工作焦点,关注产品质量,提倡产品标准化,使经营业绩得到了蓬勃发展。近五年销售收入年均增幅为35%,高出行业增长水平20个百分点。 天瑞公司现有三大业务领域分别是:继电保护与自动化、智能电网、新能源。其中,继保领域主要目标市场为:电量传感器、GPS同步时钟源;智能电网领域主要目标市场为:数显电力仪表、高压电能计量装置;新能源领域主要目标市场为:太阳能和风电转换装置、新能源电池监控装置等。公司自成立之初,就致力做好做精做强电力电子产业,积极承担社会责任,高度重视人才培养,现已成为行业内广受尊重的企业之一。

2006年被推选为中国电器工业协会理事单位 2010年被评定为国家高新技术企业 2013年被中华全国总工会评为“工人先锋号”,被授予湖北省名牌 2014年被中国电子工业协会评为“全国电子信息行业最具社会责任企业”称号 2015年被授予湖北省著名商标2017年被评定为“中国驰名商标”

湖北天瑞电子股份有限公司从1998年在湖北省天门市成立, 有着超过20年的技术开发和生产管理的经验积累。

电流互感器是由闭合的铁心和绕组组成。它的一次绕组匝数很少,串在需要测量的电流的线路中,因此它经常有线路的全部电流流过,二次绕组匝数比较多,串接在测量仪表和保护回路中,电流互感器在工作时,它的二次回路始终是闭合的,因此测量仪表和保护回路串联线圈的阻抗很小,电流互感器的工作状态接近短路。

按照用途不同,电流互感器大致可分为两类 : 测量用电流互感器:在正常工作电流范围内,向测量、计量等装置提供电网的电流信息。 保护用电流互感器:在电网故障状态下,向继电保护等装置提供电网故障电流信息。

剩余电流互感器是漏电保护器的检测元件,它的主要功能是检测通过互感器铁心的主电路的剩余电流(触电、漏电等接地故障电流),并将一次回路的剩余电流变换成二次回路的输出电压。剩余电流互感器是漏电保护器中最关键的部件之一。

电压传感器的原理: 对于交流电压测量,可用电压互感器作为传感元件,即使用一台电压互感器将被测电压降至到可利用的低电压,然后通过相关电路变换成与被测电压成线性关系的直流电压送入到数据采集系统和A/D转换器。 当被测电压为直流电压时,可用分压电阻作为传感元件,并联在被测元件两端的电阻值应足够大(一般应控制在消耗功率小于被测电机额定功率的1/1000以下)),以尽可能地减少该回路电流产生的损耗给测量值造成的影响,对于低压电机,应在10KΩ左右。取该被测电压在电阻上的一部分电压降作为信号,直接送入到数据采集系统和A/D转换器。

电压传感器的作用是自动检测电压,从而使我们能够对设备或系统的电压进行控制和显示,必要时采取过电压、欠电压等自动保护措施。
环境管理体系认证证书-中文
质量管理体系认证证书-中文
职业健康安全管理体系认证证书-中文
CE
IATF16949
REACH
REACH
RoHS
感谢您的留言,我们将尽快与您联系!

联系我们

服务热线:400-086-3003

电话: 5353117

传真:

邮箱:

地址:湖北省天门市经济开发区创业大道8号

天瑞电子微信公众号
天瑞电子微信公众号
感谢您的留言,我们将尽快与您联系!